Descripción
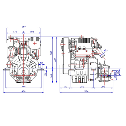
Motor de propulsión LOMBARDINI MARINE modelo LDW 502 M de 2 cilindros y 13 HP, dotado de reductora TECHNODRIVE TMC 40 (2:1).
Características de serie: MOTORES y GENERADORES MARINOS LOMBARDINI MARINE
- Precio competitivo, relación calidad-equipo-precio extraordinaria.
- Alternador de 120 Ah. desde 20 HP en adelante.
- Inversores TECHNODRIVE de serie.
- Propulsión SAIL DRIVE (para veleros) de 13 a 87 HP.
- Posibilidad de transmisiones por eje hasta 240 HP
- Propulsiones MERCRUISER para motores Common Rail de 180 a 240 HP
- Escape construido en acero inoxidable
- Sistemas de inyección BOSCH: Aumentan el PAR, disminuyen el consumo.
- Dimensiones y pesos contenidos, elevado ratio HP/Kg./Dimensiones
- Par elevado a bajas RPM
- Acabado impecable y duradero
- Recambios de bajo coste
- Producto CE conforme a la Directiva Europea 44 CE
- LOMBARDINI MARINE proyecta y construye motores marinos con tecnología propia.
- LOMBARDINI MARINE es propiedad de KOHLER COMPANY (USA), formándose así un grupo industrial de primer orden, con presencia en los cinco continentes.
