Descripción
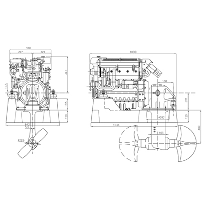
Motor de propulsión LOMBARDINI MARINE modelo LDW 2204 SD Turbo de 4 cilindros, 2.200 C.C. y 87 HP a 3.200 RPM, dotado de transmisión SAIL DRIVE para veleros.
Características de serie: MOTORES y GENERADORES MARINOS LOMBARDINI MARINE
- Precio competitivo, relación calidad-equipo-precio extraordinaria.
- Alternador de 120 Ah. desde 20 HP en adelante.
- Inversores TECHNODRIVE de serie.
- Propulsión SAIL DRIVE (para veleros) de 13 a 87 HP.
- Posibilidad de motorizaciones con transmisiones por eje hasta 136 HP
- Escape construido en acero inoxidable
- Sistemas de inyección BOSCH: Aumentan el PAR, disminuyen el consumo.
- Dimensiones y pesos contenidos, elevado ratio HP/Kg./Dimensiones
- Par elevado a bajas RPM
- Acabado impecable y duradero
- Recambios de bajo coste
- Producto CE conforme a la Directiva Europea 44 CE
- LOMBARDINI MARINE proyecta y construye motores marinos con tecnología propia.
- LOMBARDINI MARINE es propiedad de KOHLER COMPANY (USA), formándose así un grupo industrial de primer orden, con presencia en los cinco continentes.
